With over 300 years of engineering experience, Savery designs and manufactures high-quality hydraulic systems tailored to your needs. If you're interested in this product, fill in our contact form, and our team will be in touch.
Contact usHSV10-21 HyPerformance (HSV10-21)
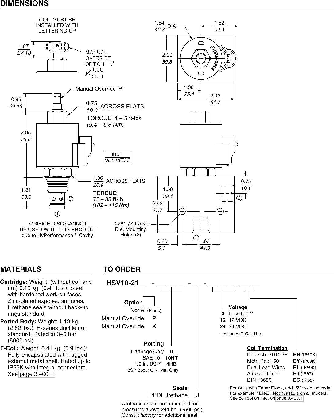
A solenoid-operated, 2-way, normally open, piloted, poppet-type, screw-in hydraulic cartridge valve, designed to function as a load holding or blocking valve in high pressure applications requiring low internal leakage.
Product Operation
When de-energized, the HSV10-21 allows flow from 2 to 1 while flow from 1 to 2 is severely restricted in this mode.
When energized, the valve’s poppet closes on its seat, blocking flow from 2 to 1. In this mode the cartridge will allow 1 to 2 flow after overcoming the actuator and spring forces (see peformance graph).
Operation of Manual Override Option: The manual override feature is intended for emergency use, not for continuous duty operation. To shift the valve manually, push and hold down the manual override button/knob.
Product Features
• Manual override options.• Continuous-duty rated solenoid.• Hardened seat for long life and low leakage.•
Optional coil voltages and terminations.• Efficient wet-armature construction.• Cartridges are voltage interchangeable.• Waterproof E-Coils rated up to IP69K.• 1000-hour salt-spray rated solenoid tubes and coils.• Unitized, molded coil design.• All HyPerformance products are tested to the rigorous standards of the NFPA specification T2.6.1.• All HyPerformance valves are tested at a verification level of 90% and an assurance of 99%.
Product Ratings
Operating Pressure: 350 bar (5075 psi); 10% cycle life: 420 bar (6090 psi)Note: All HyPerformance products are tested for 900K cycles at 350 bar and 100K cycles at 420 bar.
Proof Pressure: 690 bar (10,000 psi)
Burst Pressure: 1380 bar (20,000 psi)
Flow: Up to 75.7 lpm (20 gpm)
Internal Leakage: 0.25 cc/minute (5 drops/minute) max. with 350 bar (5075 psi) at port 2.
Coil Duty Rating: Continuous from 85% to 115% of nominal voltage
Initial Coil Current Draw at 20°C: 1.7 amps at 12 VDC; 0.85 amps at 24 VDC
Temperature: -54° to 107°C (-65° to 225°F) with Urethane seals
Filtration: See page 9.010.1
Fluids: Mineral-based or synthetics with lubricating properties at viscosities of 7.4 to 420 cSt (50 to 2000 sus); See Temperature and Oil Viscosity, page 9.060.1
Installation: No restrictions; See page 9.020.1
Cavity: HVC10-2; See page 9.110.1
Cavity Tool: HCT10-2xx; See page 8.600.1
Seal Kit: SK10-2U-O; See page 8.650.1
Coil Nut: Part No. 4555250
1.033.1
ISO SYMBOL




















