With over 300 years of engineering experience, Savery designs and manufactures high-quality hydraulic systems tailored to your needs. If you're interested in this product, fill in our contact form, and our team will be in touch.
Contact usER12-S30 Pressure Reducing Spool Logic Element (ER12-S30)
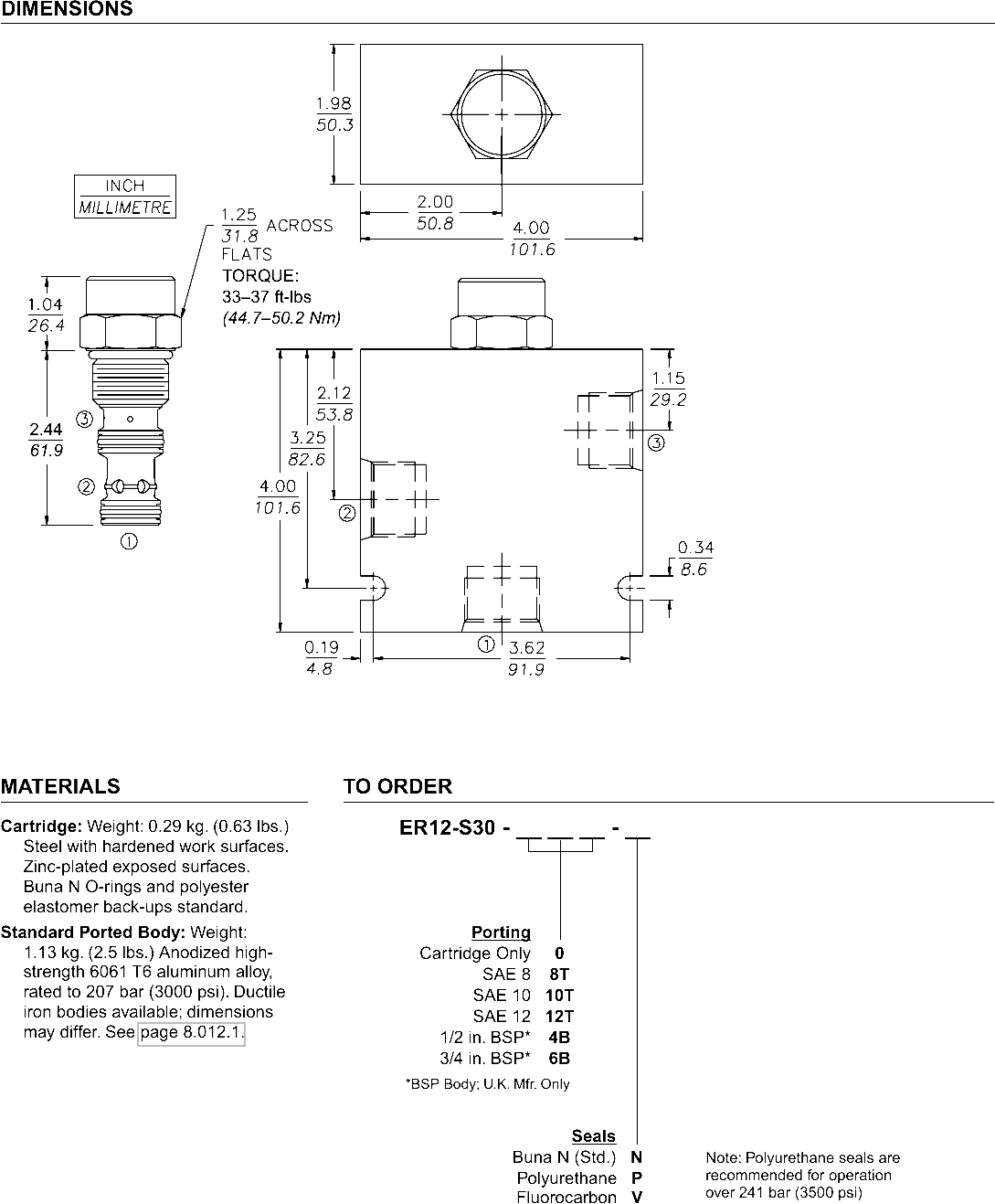
A screw-in, cartridge-style, spring biased, pressure reducing logic element.
Product Operation
In its steady state, the ER12-S30 allows flow from ➁ to ➀ with the spring chamber constantly drained at ➂. On attainment of a pre-determined pressure at ➀, set by a (remote) pilot relief valve connected to port ➂, the spool shifts to restrict input flow at ➁, thereby regulating pressure at ➀
Product Features
• Adjustments cannot be backed out of the valve.
• Adjustments prohibit springs from going solid.
• Optional spring ranges to 207 bar (3000 psi).
• Hardened spool and cage for long life.
• Industry common cavity.
Product Ratings
Operating Pressure: 350 bar (5000 psi); Polyurethane seals are recommended for operation up to 5000 psi; Aluminum bodies for this product are rated to 3000 psi
Proof Pressure: 390 bar (5700 psi)
Flow: See Performance Chart
Maximum Pilot Flow: 9.5 lpm (2.5 gpm)
Bias Spring: 8.3 bar (120 psi)
Temperature: -40 to 120°C with standard Buna seals
Filtration: See page 9.010.1
Fluids: Mineral-based or synthetics with lubricating properties at viscosities of 7.4 to 420 cSt (50 to 2000 sus); See Temperature and Oil Viscosity, page 9.060.1
Installation: No restrictions; See page 9.020.1
Cavity: VC12-S3; See page 9.112.1
Cavity Tool: CT12-S3XX; See page 8.600.1
Seal Kit: SK12-3X-BM; See page 8.650.120.7/3006.9/10017.2/25013.8/20010.4/1503.4/50FLOW lpm/gpmPRESSURE bar/psiPressure Drop vs. FlowFlow Path ➁ to ➀ with ➁ connected to ➂32 cST/150 sus oil at 40°C19538105715762095251143034.5/50031.0/45010.3/1506.9/1003.4/5027.6/40024.1/35017.2/25020.7/30013.8/200FLOW lpm/gpmPRESSURE bar/psiReduced Pressure vs. Flow at Different Pilot Relief Valve Settings82154236308451238105314345/5000310/4500103/150035/50069/1000276/4000241/3500172/2500207/3000138/2000FLOW lpm/gpmPRESSURE bar/psi195381057157620952511430
HYDRAFORCE.com®




















