With over 300 years of engineering experience, Savery designs and manufactures high-quality hydraulic systems tailored to your needs. If you're interested in this product, fill in our contact form, and our team will be in touch.
Contact usFD50-44 Flow Divider/Combiner . . . Heavy Duty, (FD50-44)
High performance, high pressure, multifunction, screw-in, cartridge-style, spool-type flow divider/combiner.
Product Operation
In the dividing mode, the FD50-44 will divert input flow from port ➂ to ports ➁ and ➃, based on the ratio specifi ed. This valve provides a highly accurate, pressure compensated division of inlet flow or combination of return flow regardless of system operating pressure. When the flow direction is reversed, the valve will combine flows from ports ➁ and ➃ to port ➂
Product Features
• Hardened parts for long life.
• Quiet, modulated response.
• Wide operating flow range.
• Accurate division or combination of flow.
• Industry common cavity.
Product Ratings
Operating Pressure: 345 bar (5000 psi)
Pressure Drop: 24 bar (350 psi) at maximum inlet flow
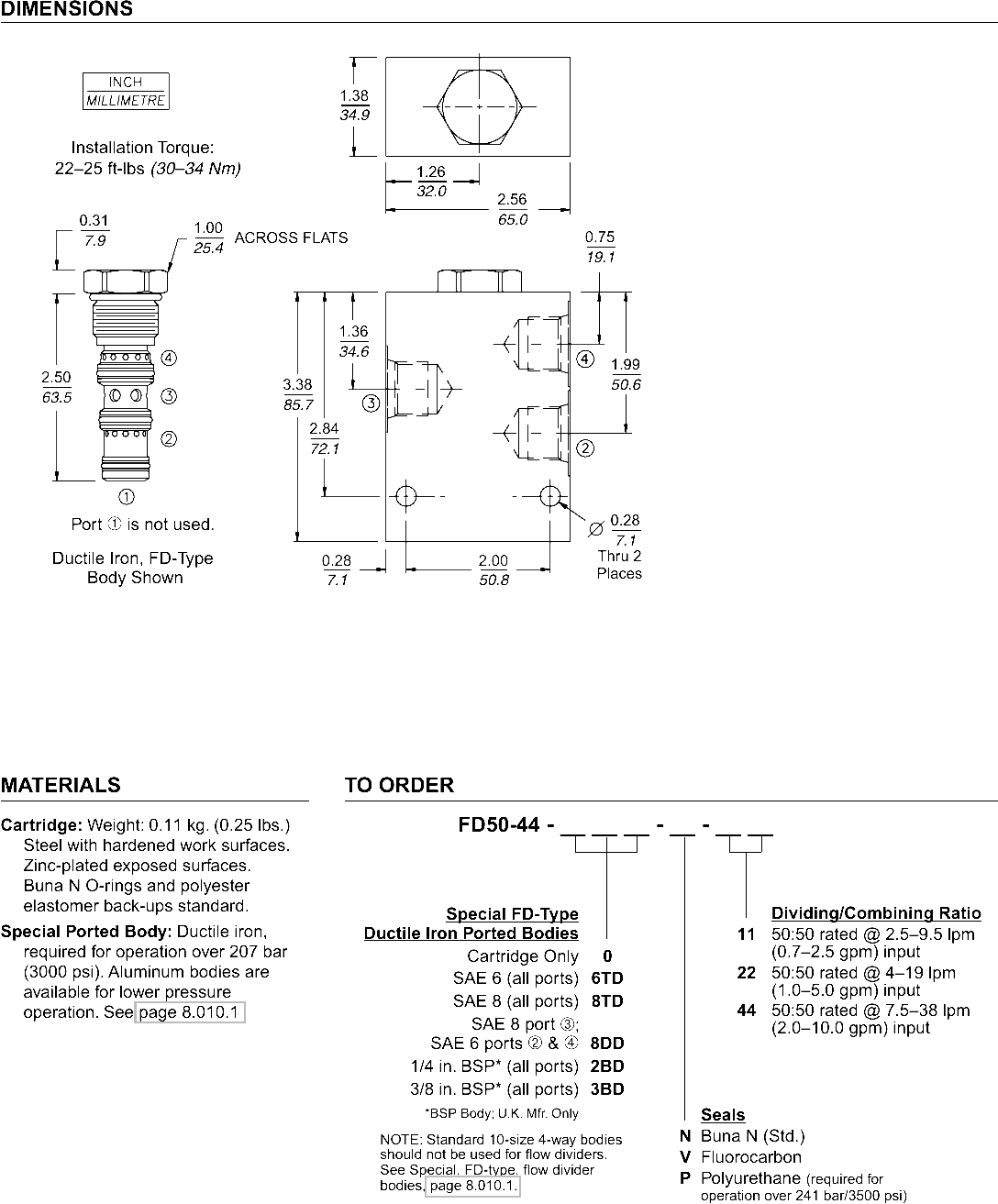
Flow Range Options: Model Code
11: 50:50 rated @ 2.5–9.5 lpm (0.7–2.5 gpm) inputModel Code
22: 50:50 rated @ 4–19 lpm (1.0–5.0 gpm) inputModel Code
44: 50:50 rated @ 7.5–38 lpm (2.0–10.0 gpm) input
Flow Accuracy: 5% of inlet flow at maximum flow rate; 10% of inlet flow at minimum flow rate
Temperature: -40 to 120°C
Filtration: See page 9.010.1
Fluids: Mineral-based or synthetics with lubricating properties at viscosities of 7.4 to 420 cSt (50 to 2000 sus); See Temperature and Oil Viscosity, page 9.060.1
Installation: No restrictions; See page 9.020.1Note: Standard 10 size 4-way bodies should not be used with this product. See page 8.010.1 for special flow divider bodies.
Cavity: VC10-4 (Variation “A”); See page 9.110.1
Cavity Tool: CT10-4X; See page 8.600.1
Seal Kit: SK10-4X-MMM; See page 8.650.1




















