With over 300 years of engineering experience, Savery designs and manufactures high-quality hydraulic systems tailored to your needs. If you're interested in this product, fill in our contact form, and our team will be in touch.
Contact usFD16-40 Flow Divider/Combiner (FD16-40)
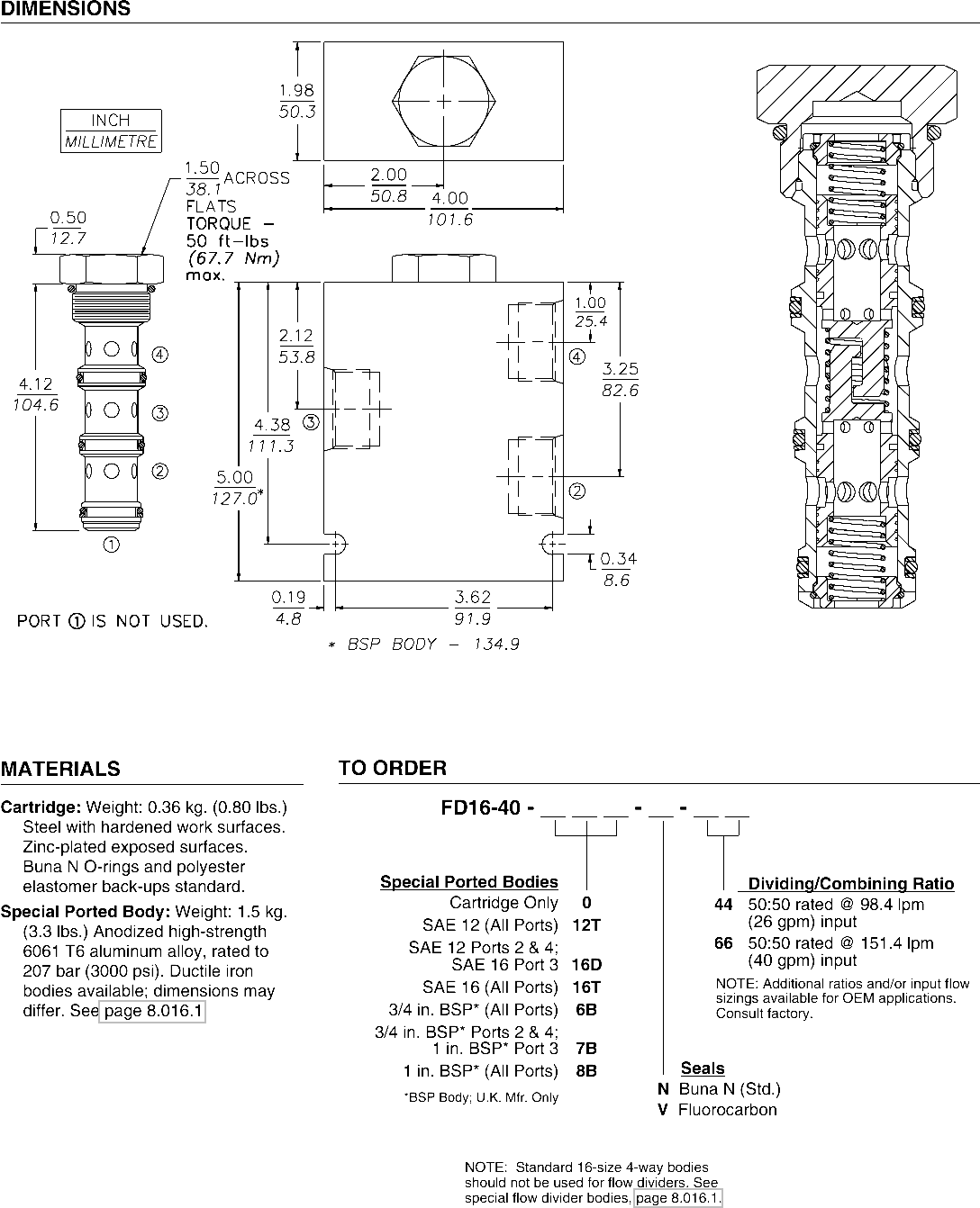
A screw-in, cartridge-style, spool-type flow divider/combiner. Standard flow dividing/combining ratios are maintained regardless of system operating pressure conditions.
Product Operation
In the dividing mode, the FD16-40 will divert input flow from 3 to 2 and 4, based on the ratio specified, regardless of operating pressure.
The cartridge will combine input flows from both 2 and 4 to 3.
Should circuit operation result in a blockage of either 2 or 4, the opposite port may also close under certain conditions. Should this potential exist, consult factory.
Product Features
• Hardened parts for long life.
• Quiet, modulated response.
• Industry common cavity.
Product Ratings
Operating Pressure: 240 bar (3500 psi)
Flow: See Performance Chart
Flow Options:Input Flow: 98.4 lpm (26 gpm); Ratio: 50:50; Model Code: 44Input Flow: 151.4 lpm (40 gpm); Ratio: 50:50; Model Code: 66Other ratio options available; consult factory.
Standard Compensator Bias Spring: 2.07 bar (30 psid)
Flow Accuracy: 10% from 33-100% of rated flow
Temperature: -40 to 120°C
Filtration: See page 9.010.1
Fluids: Mineral-based or synthetics with lubricating properties at viscosities of 7.4 to 420 cSt (50 to 2000 sus); See Temperature and Oil Viscosity, page 9.060.1
Installation: No restrictions; See page 9.020.1. Note that standard 16 size 4-way bodies should not be used with this product. See page 8.016.1 for special flow divider bodies.
Cavity: VC16-4; See page 9.116.2
Cavity Tool: CT16-4XX; See page 8.600.1
Seal Kit: SK16-4X-MMM; See page 8.650.1



















