With over 300 years of engineering experience, Savery designs and manufactures high-quality hydraulic systems tailored to your needs. If you're interested in this product, fill in our contact form, and our team will be in touch.
Contact usHSP16-20 HyPerformance (HSP16-20)
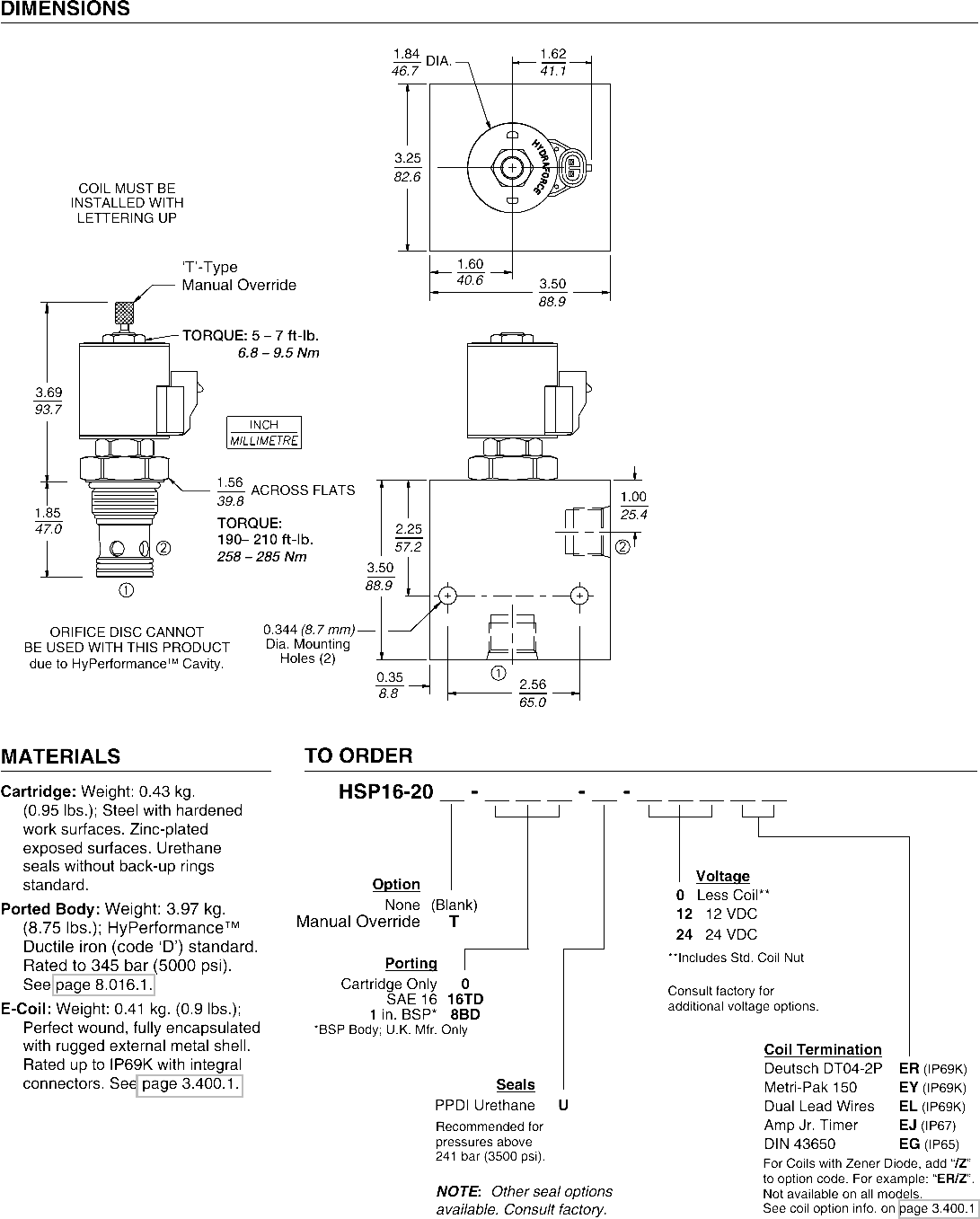
A proportional solenoid-operated, 2-way, piloted, poppet-type, normally closed, screw-in hydraulic cartridge valve for low-leakage blocking and load-holding in high pressure applications requiring low internal leakage.
Product Operation
When de-energized, the HSP16-20 blocks flow from ports 2 to 1. In this mode, the cartridge will allow flow from ports 1 to 2 after overcoming the spring forces (see performance graph). When energized, the valve will allow flow from ports 2 to 1 while severely restricting flow from ports 1 to 2.
Note: If low voltage is expected on the machine, 12 or 24 volt systems will require the use of 10 volt or 20 volt coils respectively. See “SP Valves and Coil Operating Parameters,” page 2.002.1.
Product Features
• Industry-common cavity. • Efficient wet-armature construction.• Continuous-duty rated coils. • Waterproof E-Coils rated up to IP69K.• 1000-hour salt-spray rated solenoid tubes.• All HyPerformance products are tested to NFPA specification T2.6.1, and are tested at a verification level of 90% and an assurance of 99%.
Product Ratings
Operating Pressure: 350 bar (5075 psi); 10% Cycle Life: 420 bar (6090 psi)
Fatigue Rating: 2 million cycles at 420 bar
Burst Pressure: 1380 bar (20,000 psi)
Flow: Up to 75.7 lpm (20 gpm); see performance curves.
Maximum Control Current: 1.2 amps
Max. Internal Leakage: 7 drops per minute at 345 bar (5000 psi) inlet
Temperature: -54° to 107°C (-65° to 225°F) with Urethane seals
Fluids: Mineral-based or synthetics with lubricating properties at viscosities of 7.4 to 420 cSt (50 to 2000 sus); See Temperature and Oil Viscosity, page 9.060.1
Filtration: See page 9.010.1
Installation: See note re: voltage under OPERATION heading. See page 9.020.1
Cavity: HVC16-2; See page 9.116.1;
Cavity Tool: HCT16-2XX; See page 8.600.1
Seal Kit: SK16-2U-O; See page 8.650.1;
Coil Nut: Part No. 4553800
ELECTRO-PROPORTIONAL VALVES—FLOW CONTROL
ISO SYMBOL
2.016.1
PERFORMANCE
Recommended Electronic Controllers:See page 2.001.1 or our Electronics catalog.FLOW lpm/gpm227/60246/65189/50208/55151/40170/45114/30133/3576/2095/2538/1019/557/15FLOW vs. CURRENT at Various Inlet Pressureswith 12 VDC Coil — 32 cSt/150 sus oil at 40°CPERCENT of MAX. CONTROL CURRENT1020304050607080901000.10.20.30.40.50.60.70.80.91.01.11.2 AMP345 bar5000 psi35 bar500 psi104 bar1500 psi11 bar160 psi5.5 bar80 psi381076201133015140189502276026570FLOW lpm/gpm35/50069/1000103/1500138/2000172/2500207/3000PRESSURE bar/psiTYPICAL PRESSURE RESPONSE0.75A0.85A0.90A0.95A1.00A1.20A1 to 2 De-EnORCE.com®





















