With over 300 years of engineering experience, Savery designs and manufactures high-quality hydraulic systems tailored to your needs. If you're interested in this product, fill in our contact form, and our team will be in touch.
Contact usPD16-42 Piloted 3-Way Spool, Internal Vent (PD16-42)
A screw-in, cartridge-style, pilot-operated, spool-type, hydraulic directional valve for three-way circuits requiring remote pilot actuation.
Product Operation
In neutral (unpiloted), the PD16-42 allows flow passage between ➂ and ➁ while ➃ is blocked.
On remote pilot signal at ➀, the valve shifts to open from ➂ to ➃, while blocking flow to ➁Note that ➃ is common to the spring chamber. Pressure on ➃ will directly (1:1) affect required pilot pressure and must always be added to the bias spring value.
Note: Consult factory for applications where bi-directional flow is required when the
valve is in the piloted position.
Product Features
• Hardened spool and cage for long life.
• Optional sealed pilot.
• Industry common cavity.
Product Ratings
Operating Pressure: 240 bar (3500 psi)
Proof Pressure: 420 bar (6090 psi)
Flow: See Performance Chart
Internal Leakage: 164 cc/minute (10 cu. in./minute) max. at 207 bar (3000 psi)
Pilot Pressure Required: To Spool Crossover: 7.6 bar (110 psi)
To Full Spool Shift:
9.0 bar (130 psi)
Oil Volume Required to Full Shift: 2.5 cc (0.15 cu. in.)
Temperature: -40 to 120°C with standard Buna seals
Filtration: See page 9.010.1
Fluids: Mineral-based or synthetics with lubricating properties at viscosities of 7.4 to 420 cSt (50 to 2000 sus); See Temperature and Oil Viscosity, page 9.060.1
Installation: No restrictions; See page 9.020.1
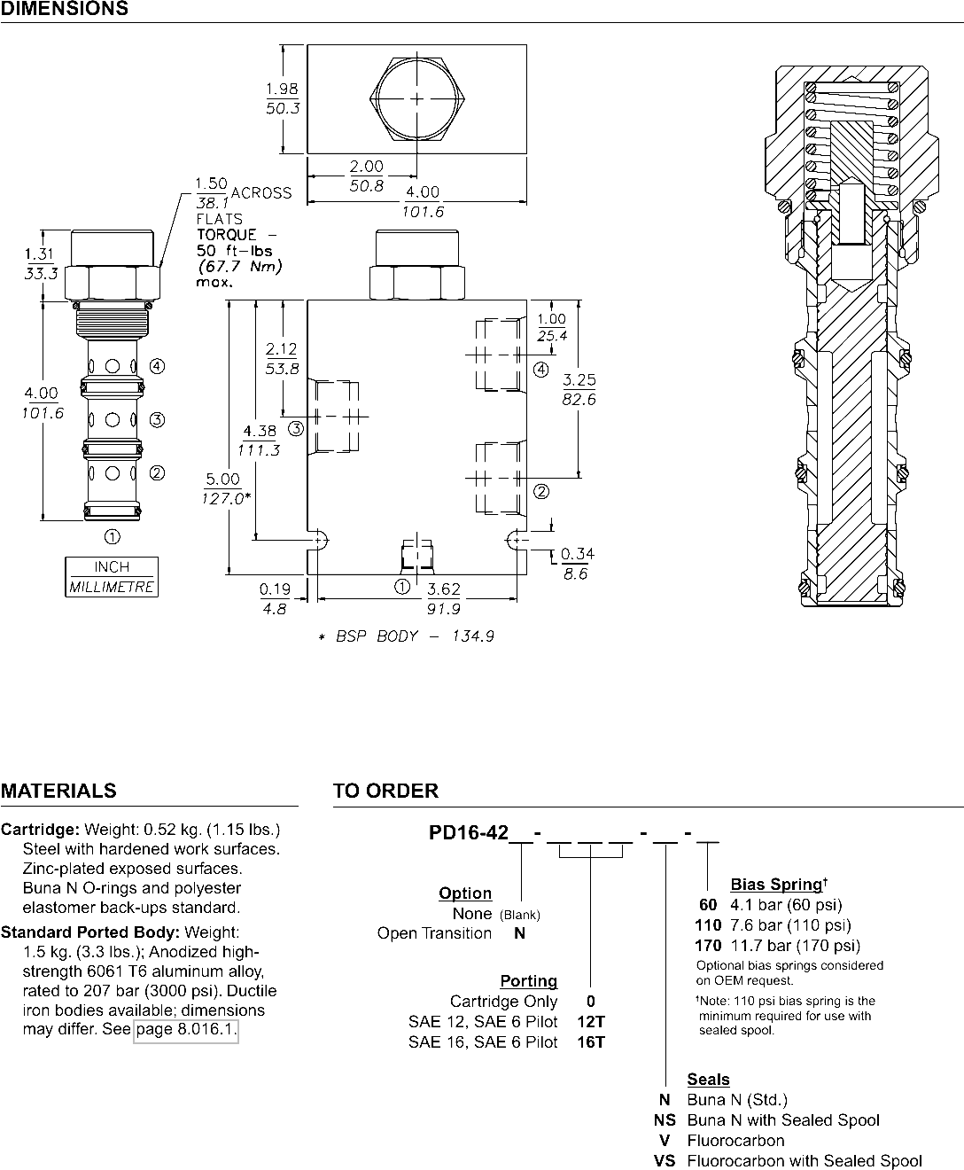
Cavity: VC16-4; See page 9.116.1
Cavity Tool: CT16-4XX; See page 8.600.1
Seal Kit: SK16-4X-MMM; See page 8.650.1



















