With over 300 years of engineering experience, Savery designs and manufactures high-quality hydraulic systems tailored to your needs. If you're interested in this product, fill in our contact form, and our team will be in touch.
Contact usHPV12-21 HyPerformance (HPV12-21)
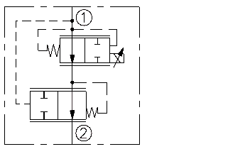
A solenoid-operated, electrically-variable, two-port, pressure-compensated, spool-type, normally open when de-energized, proportional flow control valve for high pressure applications up to 350 bar (5075 psi).
Product Operation
With inlet at port 1, the HPV12-21 regulates flow out of port 2 regardless of system working pressure. Increasing current applied to the solenoid will decrease output flow.
Product Features
• Continuous-duty rated solenoid with optional coil voltages and terminations.
• Hardened spool and cage for long life.
• Efficient wet-armature construction.
• Cartridges are voltage interchangeable.
• Unitized, molded, waterproof E-Coils rated up to IP69K.• 1000-hour salt-spray rated solenoid tubes and coils.• All HyPerformance™ products are tested to the rigorous standards of the NFPA specification T2.6.1.• All HyPerformance™ valves are tested at a verification level of 90% and an assurance of 99%.
Product Ratings
Operating Pressure: 350 bar (5075 psi); 10% Cycle Life: 420 bar (6090 psi)Note: All HyPerformance products are tested for 900K cycles at 350 bar and 100K cycles at 420 bar.
Burst Pressure: 1241 bar (18,000 psi)
Proof Pressure: 690 bar (10,000 psi)
Regulated Flow Rate: 0 to 61 lpm (0 to 16 gpm)
Max. Internal Leakage: 0.38 lpm (0.10 gpm) at port 2 at zero current and 345 bar (5000 psi) pressure at port 1
Temperature: -54° to 107°C (-65° to 225°F) with PPDI Urethane seals
Hysteresis: ±1.9 lpm (0.50 gpm) maximum
Dither/PWM Frequency Range: 100 to 250 Hz
Electrical Parameters (with size 10 E-series coil):
Filtration: See page 9.010.1
Fluids: Mineral-based or synthetics with lubricating properties at viscosities of 7.4 to 420 cSt (50 to 2000 sus); See Temperature and Oil Viscosity, page 9.060.1
Installation: No restrictions; See page 9.020.1.
Cavity: HVC12-2 Cavity Variation “A”; See page 9.112.1
Cavity Tool: HCT12-2X-XX; See page 8.600.1
Seal Kit: HSK12-2U-O; See page 8.650.1
Coil Nut: Part No. 7004420
Threshold
Current 100 ± 50 mA 50 ± 25 mA
ELECTRO-PROPORTIONAL VALVES—FLOW CONTROL
TM
Proportional Flow
ISO SYMBOL
2.342.1




















