With over 300 years of engineering experience, Savery designs and manufactures high-quality hydraulic systems tailored to your needs. If you're interested in this product, fill in our contact form, and our team will be in touch.
Contact usLS50-30 Load Shuttle, Ball-Type (LS50-30)
A load-shuttling, screw-in, cartridge-style hydraulic check valve, for use in blocking circuits where a priority of flow/direction is given to a higher pressure circuit over a lower one.
Product Operation
The LS50-30 will allow flow from the higher pressure ➀ or ➂ port to the ➁ port.The valve is commonly used to direct oil from the pressure side of a bidirectional
hydraulic motor to a pressure-released hydraulic brake.
Product Features
• Rapid response to load direction changes.• Industry common cavity.
Product Ratings
Operating Pressure: 345 bar (5000 psi)
Proof Pressure: 390 bar (5700 psi)
Flow: See Performance Chart
Internal Leakage: 0.25 cc/minute (5 drops/minute) max. at 345 bar(5000 psi)
Temperature: -40 to 120°C with standard Polyurethane seals
Filtration: See page 9.010.1
Fluids: Mineral-based or synthetics with lubricating properties at viscosities of 7.4 to 420 cSt (50 to 2000 sus); See Temperature and Oil Viscosity, page 9.060.1
Installation: No restrictions; See page 9.020.1
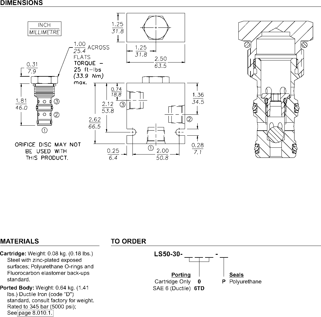
Cavity: VC10-3; See page 9.110.1
Cavity Tool: CT10-3XX; See page 8.600.1
Seal Kit: SK10-3P-MM; See page 8.650.1



















